HERO


| 詳細 | ★縦横兼用ナットレスシャックル ★特注対応可能 |
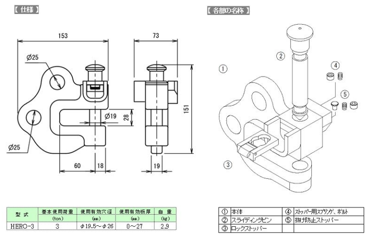
| 基本使用荷重 | 3 ton |
| 特徴 | ・つり穴・つりピース・接合ボルト穴等を利用してつり上げ ・ナットを使用しない構造で取付け・取外しが上部だけで可能 ・スライディングピン抜け防止付 ・片手でロック開放ができるので高所作業でも安全 ・ピンを解放したまま保持可能 |
| 用途 | ・梁・H鋼・I形鋼等の横つり・縦つり ・建築現場における建て方や鉄工所、造船所、土木作業 |
| 使用上の注意 | ・必ず適用ボルト穴径・フランジ厚さの範囲内で使用してください。 ・使用するつり穴と方向を遵守してください。 |
03-3790-6881
03-3790-6885
お問い合わせ